Power Pack Arduino UNO

TOP UP Power Pack PSoC4 Power Pack PIC16F18855 Power Pack Arduino UNO Power Pack PIC16F18325 LED Drive Board Interior_Lamp Interior_Lamp_2Color Semi Transistor 4Mini Parts Arduino LED Drive Board

 

TOP
UP
Soft (Arduino UNO)
Power Pack Arduino UNO OLD
Sensor Board

 

bullet

Arduinoパワーパックからのお知らせ

	ソフト作成ができない方への朗報!!!

今まではソフト開発がご自分で出来る方に向けて、パワーパックキバンを販売させて頂きましたが、

当方での開発も一段落した事より、ソフト作成ができない方向けにメールサポートをしてみようと思います。

どのようになるか分かりませんが、先ずはメールにてご一報頂ければと思います。

サンプルソフトは現在でも配布していて、フィードバック定速運転や、自動往復運転が可能となっています。

そのソフトをベースにご依頼頂いた方のレイアウトに合わせてソフトの修正や、

取り扱い方をサポートしていきます。

初回特価としてお見積りさせて頂きますので、やりたい事をお気軽にご連絡下さい。

 

ソフト修正の範囲。。。サンプルソフトの内容を元に修正できる範囲で行います。

出来る事。。。パワーパックはFeeder 1系統、センサー入力 2系統です。

         そのハードをコントロールできる範囲での修正です。

         また、LCDの表示修正や設定項目の修正も出来ますので、

                    細かい内容はお打合せにて決定させて頂きます。

パワーパックキバンの販売は、

                            ヤフオクにて!!!

 

まずは、メールでご連絡!

P'sTec 高野

takano@ps-tec.jp

 

CPU Powerpackシリーズの第3弾でArduino UNOを使用したパワーパックがVersionアップしました。

初期キバンからは大きく変わった所は、キバン形状で、通常ケースの中に入るキバンだとケースに合わせた形となりますが、

今回のキバンはちょっと見た目にお洒落になっています。

当然Arduinoのシールドキバンとして使えるようコネクタ配置はそのままに外形が変わっています。

ArduinoのMPUキバン上にそのままこのパワーバックキバンを差し込むだけです。

その他機能面では変更無く、モータードライバ、ボリューム、スイッチ、センサー入力が付いていて全てArduinoのMPUポートに接続されています。

Arduinoでソフトを組んだ事がある方なら、簡単にPWM制御のパワーバックが作成できます。

その他に、センサー入力端子を2点備えていますので、MPUがセンサーを検知して車両を停止させたり、

反転往復動作をさせたりと自由にソフト制御で動かす事が可能です。

今まで他のMPU PowerPackでも行ってきているフィードバック制御も可能です。

フィードバック制御はフィーダ出力をArduinoのADCポートで監視することで

走行速度を検出し一定速度を保つ制御が可能です。

下り坂での加速や、登り坂での減速を最小限に保ち走行することができます。

また、今回新たに出来るようになった機能では、Arduinoのシリアル通信がPCと出来るようになりました。

Arduinoのダウンロード用ケーブルを使用して、PCへ走行状態のデータを送信したり、

逆にPCからパワーバックに指令を出して走行することも可能になりました。

 

以下のキバンがArduinoのPowerPackとなります。

左がArduino UNOで、右がPowerPackキバンになります。

PowerPackキバンをArduinoの上に重ねて使用します。


Constant Speed Power Pack

このパワーパックはArduinoのMPUボードを使用している事から

ファームウェアの作成、書き込みの出来る方向けのキバンとなります。

ArduinoのC言語が出来る方であれば、PWMパワーパックが比較的 簡単に作成することが出来ると思います。

これからArduinoをやってみたいとかC言語を勉強していきたいという方には 最適なキバンになっています。

電源はArduinoについているDCジャックに12Vのアダプタを差せば、

そのまま車両走行用の電源まで供給されるようになっています。

2ピンの2.54mmピンヘッダにFeeder線を接続します。

6ピンの2.54mmピンヘッダがセンサー2本が接続できるようになっています。

 

Arduinoパワーパックキバンの特長

bullet約90mm x 70mmの超小型パワーバックキバンです。
bullet車両への駆動はPWM出力で最大2AまでできますのでACアダプタが2A以上の物を接続すればHOゲージにも使用できます。
bullet電源は通常の12V、ACアダプタ (φ5.5-2.1mm) を使用できます。 Arduino UNOのDCソケットに接続して下さい。
bullet光センサー入力端子が付いていますので、センシングにて停止、減速等自動運転も可能です。
bulletArduino UNOにて全ての入出力を管理していますので、プログラムの変更、書き換えにて自由な動作が可能です。
bulletソフトウェアの修正、変更には最低限のC言語開発能力が必要となります。 ソフトウェア技術者、これからファームウェアを始めたい方に向けたボードになります。
bullet開発環境はArduinoから提供されているツールでコンパイルから書き込みまで行えます。

 

パワーパックキバン説明ビデオ(キバンは旧キバンです)

 

 

パワーパックキバンの仕様

bulletMPU。。。Arduino UNO
bulletMotorDriver。。。BD62120(36V 2A)
bullet電源電圧 12V±5% (Arduino UNOのDCジャックφ5.5-2.1mm)
bullet電源電流 2.2A max

 

ポート配置

PIN      
D0 out (LED) LED_Orenge / Serial RX LED出力 Hi/OFF  Lo/ON / シリアル通信受信
D1 out (LED) LCD_Blue    / Serial TX LED出力 Hi/OFF Lo/ON / シリアル通信送信
D2 in (INT) INT_PWM1 PWM1に接続 フィードバック用割り込み入力
D3 in (INT) INT PWM2 PWM2に接続 フィードバック用割り込み入力
D4 in (PIO) For_SW1 ForwardSW入力 Lo/ON
D5 in (PIO) Rev_SW2 ReverseSW入力 Lo/ON
D6 out (LCD) LCD_E LCD制御出力
D7 out (LCD) LCD_RS LCD制御出力
D8 out (LCD) LCD_D4 LCDデータ出力
D9 out (PWM) PWM1 Feeder出力 Forward側PWM出力
D10 out (PWM) PWM2 Reverse出力 Reverse側PWM出力
D11 out (LCD) LCD_D5 LCDデータ出力
D12 out (LCD) LCD_D6 LCDデータ出力
D13 out (LCD) LCD_D7 LCDデータ出力
AD0 in (ADC) Volume ボリューム入力 0/min 1023/max
AD1 in (ADC) PWM_FB1 フィードバック電圧入力1
AD2 in (ADC) PWM_FB2 フィードバック電圧入力2
AD3 in (ADC) Push SW プッシュSW入力 Lo/ON
AD4 in (ADC) Phot_Tr1 センサー1入力 0/min 1023/max
AD5 in (ADC) Phot_Tr2 センサー2入力 0/min 1023/max

センサーI/F

    

*CRD、マグネットスイッチ、マイクロスイッチは、Sensor InとGNDに接続して下さい。(Photo Diode Outは接続しません。)

*Photoセンサーは、Photo DiodeのアノードにOut、

    Photo DiodeのカソードとPhoto TransistorのエミッタはGND、

    Photo TransistorのコレクタをSensor Inに接続して下さい。

 

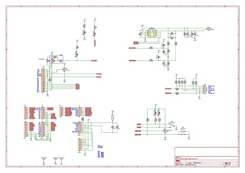
回路図

bulletCircuit_Diagram_Ardino_UNO_Rev30.pdf (PDF)

 

 

取り扱い説明書

bulletArduinoUNOパワーパックコントローラ取扱説明書120.pdf

 

[Power Pack PSoC4] [Power Pack PIC16F18855] [Power Pack Arduino UNO] [Power Pack PIC16F18325] [LED Drive Board] [Interior_Lamp] [Interior_Lamp_2Color] [Semi Transistor] [4Mini Parts] [Arduino LED Drive Board]

この Web サイトに関するご質問やご感想などについては、info@ps-tec.jpまで電子メールでお送りください。
Copyright (C) 2018 P'sTec
最終更新日 : 2022/04/11