Arduino UNO LED Control Board
テープLED等のコントロールを行うファームウェアの学習用キバンになります。
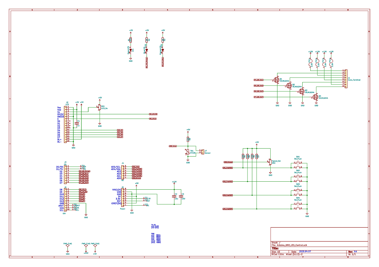
コントロールはArduinoを使用したシールドボードで12VのLEDまでコントロールできるようになっています。
全ての入出力はArduinoのポートに接続されていますので、Arduinoの学習やC言語の習得にも最適なボードです。


特長
 | MPUボードにはArduino UNOを使用していますので、C言語初心者でも比較的簡単に点灯パターン等作成することが出来ます。 |
 | LEDのコントロールにはACアダプタからの電源を使用し、最大12Vの電源電圧まで可能です。 |
 | LEDコントロールは4chまで可能です。 |
 | 表示部分には16 x 2のバックライト付きキャラクタLEDを使用していますので、点灯表示等を行う事が出来ます。 |
仕様
 | MPU:Arduino UNO R3 (互換機でも可) |
 | ACアダプタ電源電圧:5V〜12V (ArduinoのDCジャックに供給) |
 | LED出力:0.5A Max x4 (8ピン端子台) プラス側にポリスイッチ保護 |
 | 表示LCD:16x2キャラクタLCD |
 | 表示LED:青 x1 橙 x1 (緑電源LED x1) |
 | ボリューム:ArduinoのADCポートに入力 |
 | プッシュスイッチ:ArduinoのADCボードに入力 x4 |
 | ArduinoUNOに搭載のシリアル通信でコントロール可能 |
ブロック図

 | LED Control Output Digital 4Port
(D4 to D7) |
 | LCD Control Output Digital 6Port
(D8 to D13) |
 | Volume Input
Analog 1Port (AD0) |
 | Push SW Input
Analog 4Port (AD1 to AD4) |
 | On-board LED Output Digial 2Port
(D2,D3) |
回路図

製作映像 (YouTube)
 |
Arduino UNO を使って楽しくLEDをコントロールできるシールドキバンを作る! |
その1 回路作成からガーバー出しまで!
 |
Arduino UNO を使って楽しくLEDをコントロールできるシールドキバンを作る! |
その2 キバン作製〜
 |
Arduino UNO を使って楽しくLEDをコントロールできるシールドキバンを作る! |
その3 ソフトを作ってダウンロードしよう!
Step1のソフト配布
 |
Arduino UNO を使って楽しくLEDをコントロールできるシールドキバンを作る! |
その4 ソフトを作ってLCD表示してみよう!
Step2のソフト配布
 |
Arduino UNO を使って楽しくLEDをコントロールできるシールドキバンを作る! |
その5 ADコンバータを使ってみよう!
Step3のソフト配布
 |
Arduino UNO を使って楽しくLEDをコントロールできるシールドキバンを作る! |
その6 PWMを使ってみよう!
Step4のソフト配布
 |
Arduino UNO を使って楽しくLEDをコントロールできるシールドキバンを作る! |
その7 テープLEDの出力を使ってみよう!
Step5のソフト配布
 | LEDコントロールボードの動作 |

|