|
CPU Powerpackシリーズの第3弾でArduino UNOを使用したパワーパックを作りました。
Arduinoのシールドキバンになるのだと思います。
MPUのキバン上にそのままパワーバックキバンをコネクタ位置を合わせて差し込むだけです。
シールドキバンには、モータードライバ、ボリューム、スイッチ、センサー入力が付いていて全てArduinoのポートに接続されています。
Arduinoでソフトを組んだ事がある方なら、簡単にPWM制御のパワーバックが作成できます。
その他に、センサー入力端子を2点備えていますので、センサーで検知すると車両を停止させたり、
反転往復動作をさせたりと自由にソフト制御で動かす事が可能です。
今まで他のCPU PowerPackでも行ってきているフィードバック制御もできます。
フィーダ出力をArduinoのポートで監視することで走行速度を検出し一定速度を保つ制御が可能です。
以下のキバンがArduinoのPowerPackとなります。
左がArduino UNOで、右がPowerPackキバンになります。
PowerPackキバンをArduinoの上に重ねて使用します。
Constant Speed Power Pack
このパワーパックはArduinoのMPUボードを使用している事から
ファームウェアの作成、書き込みの出来る方向けのキバンとなります。
ArduinoのC言語が出来る方であれば、PWMパワーバックであれば、
簡単に作成することが出来ます。
これからArduinoをやってみたいとかC言語を勉強していきたいという方には
最適なキバンになっています。
電源はArduinoについているDCジャックに12Vのアダプタを差せば、
そのまま車両走行用の電源まで供給されるようになっています。
右上の青白のケーブルがFeeder線で、下の白赤黒の線がセンサー1と2になります。

Arduinoパワーパックキバンの特長
 | 80mm x 50mmの超小型パワーバックキバンです。 |
 | 車両への駆動はPWM出力で最大2AまでできますのでHOゲージにも使用できます。 |
 | 電源は通常の12V、ACアダプタ (φ5.5-2.1mm) がArduino UNOのDCソケットに使用できます。 |
 | センサー入力端子が付いていますので、センシングにて停止、減速等自動運転も可能です。 |
 | Arduino UNOにて全ての入出力を管理していますので、プログラムの変更、書き換えにて自由な動作が可能です。 |
 | ソフトウェアの修正、変更には最低限のC言語開発能力が必要となります。 ソフトウェア技術者、これからファームウェアを始めたい方に向けたボードになります。 |
 | 開発環境はArduinoから提供されているツールでコンパイルから書き込みまで行えます。 |
パワーパックキバン説明ビデオ

パワーパックキバンの仕様
 | MPU。。。Arduino UNO |
 | MotorDriver。。。BD62120(36V 2A) |
 | 電源電圧 12V±5% (Arduino UNOのDCジャックφ5.5-2.1mm) |
 | 電源電流 2.2A max |
ポート配置
| PIN |
|
|
|
| D0 |
out (LED) |
LED_Blue |
LED出力 Hi/OFF Lo/ON |
| D1 |
out (LCD) |
LCD_RS |
LCD制御出力 |
| D2 |
in (INT) |
INT_PWM1 |
PWM1に接続 フィードバック用割り込み入力 |
| D3 |
in (INT) |
INT PWM2 |
PWM2に接続 フィードバック用割り込み入力 |
| D4 |
in (PIO) |
For_SW1 |
ForwardSW入力 Lo/ON |
| D5 |
in (PIO) |
Rev_SW2 |
ReverseSW入力 Lo/ON |
| D6 |
out (LCD) |
LCD_E |
LCD制御出力 |
| D7 |
out (BKL) |
LCD_BKL |
LCD制御出力 バックライト Lo/ON |
| D8 |
out (LCD) |
LCD_D4 |
LCDデータ出力 |
| D9 |
out (PWM) |
PWM1 |
Feeder出力 Forward側PWM出力 |
| D10 |
out (PWM) |
PWM2 |
Reverse出力 Reverse側PWM出力 |
| D11 |
out (LCD) |
LCD_D5 |
LCDデータ出力 |
| D12 |
out (LCD) |
LCD_D6 |
LCDデータ出力 |
| D13 |
out (LCD) |
LCD_D7 |
LCDデータ出力 |
| AD0 |
in (ADC) |
Volume |
ボリューム入力 0/min 1023/max |
| AD1 |
in (ADC) |
PWM_FB1 |
フィードバック電圧入力1 |
| AD2 |
in (ADC) |
PWM_FB2 |
フィードバック電圧入力2 |
| AD3 |
in (ADC) |
Phot_Tr1 |
センサー1入力 0/min 1023/max |
| AD4 |
in (ADC) |
Phot_Tr2 |
センサー2入力 0/min 1023/max |
| AD5 |
in (ADC) |
PushSW |
プッシュSW入力 Lo/ON |
センサーI/F

*CRD、マグネットスイッチ、マイクロスイッチは、Sensor InとGNDに接続して下さい。(Photo Diode Outは接続しません。)
*Photoセンサーは、Photo DiodeのアノードにOut、
Photo DiodeのカソードとPhoto TransistorのエミッタはGND、
Photo TransistorのコレクタをSensor Inに接続して下さい。
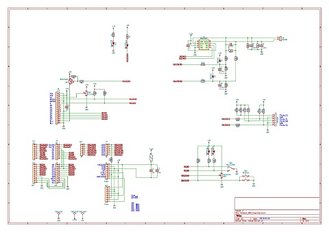
回路図

取り扱い説明書
 | 作成中 |
|