DCDC Converter

TOP UP DCDC Converter Breadboard_ArduinoUNO Servo Power Pack Universal_PCB_ArduinoNANO.htm

 

TOP
UP

 

 
 

モバイルバッテリを使用して鉄道模型を走らせるためのDC-DCコンバータを作製しました。

スペックは以下の通りですが、特定の条件にてスペックダウンとなる事が有りますので注意して下さい。

    仕様  

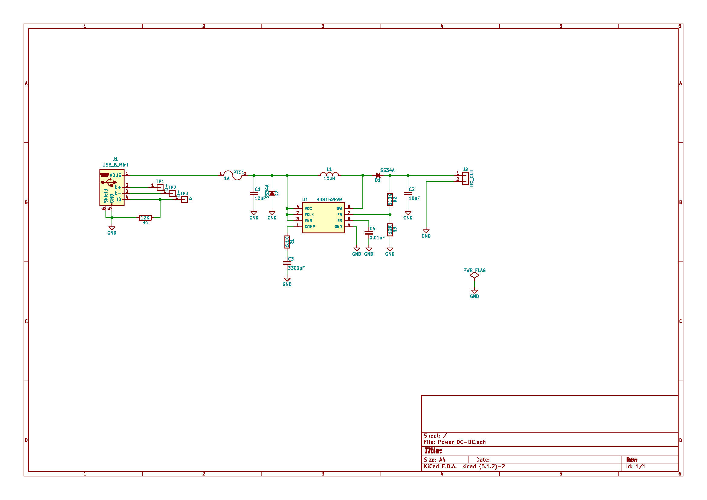
回路設計

入力電圧 5V

出力電圧 12V ⇒ 9V

出力電流 1A ⇒ 500mA

入力コネクタ USB miniB

出力コネクタ 端子台

KiCADレイアウトエディター

       

パターン設計

外形 45mm x 25mm

キバン厚 1mm

レジスト色 赤

PCBレイアウトエディター

       

回路評価

仕様変更 

出力電圧 12V ⇒ 9V

出力電流 1A ⇒ 500mA

その他

出力平滑コンデンサ C2の容量 10uF ⇒ 22uF

(出力リップル改善)

       

 

完成

   
       
       
       
       
       
       
       
[会社のロゴ イメージ]      
       

 

 

[DCDC Converter] [Breadboard_ArduinoUNO] [Servo Power Pack] [Universal_PCB_ArduinoNANO.htm]

この Web サイトに関するご質問やご感想などについては、info@ps-tec.jpまで電子メールでお送りください。
Copyright (C) 2018 P'sTec
最終更新日 : 2022/04/11